最新资讯
织物透气量仪参数和实验原理分析
日期:2015-04-28|作者:admin |人气:
气体分子通过织物的性能称为织物的透气性,是织物透通性中基本的性能。透气性影响织物的穿着舒适性,如隔热、保暖、透通、凉快。影响织物的使用性能,如降落伞、安全气囊、船帆、热气球、热气艇等的密闭与透气的有效性。因此,对织物透气性的认识和表征极为重要。一、织物的透气性及其表征
织物的透气性是织物透通性的一种,反映织物对气体“ 粒子”导通传递的性能。织物的透气性常以透气率表示,它是指一定压力差条件下,在单位时间内通过织物单位面积的空气量。
二、影响织物透气性的因素
1、织物结构
当织物的紧度保持不变,织物的透气率随着经纬纱排列密度的增加或纱线密度的增加而降低。在一定范围内,纱线的捻度增加,纱线的直径和紧度降低,则织物的透气性增强。从织物的组织方面,在相同的排列密度和紧度的条件下,透气性强弱排序为平纹<斜纹<缎纹<多孔组织。体积分数越大的织物,透气性越差。
2、纤维性质及纱线结构
纤维的回潮率对透气性有明显影响。如毛织物随回潮率的增加,透气性显著下降,是由于纤维径向膨胀的结果。大多数异形纤维织物比圆形截面纤维织物具有较好的透气性。纤维表面形状和截面形态,都会因形态的阻挡物和比表面机的增加,导致气流流动的阻力增大。故纤维越短,刚性越大,产品毛羽概率越大,形成的阻挡和通道变化越多,故透气性越差。
纱线的结构越紧密,纱线内通透越小,而纱线间的通透越大。纱的捻度与光洁对通透有利。
3、环境条件
当温度一定时,织物透气量随相对湿度的增加呈下降趋势。这是由于纤维吸湿膨胀使织物内部空隙减小,且部分水分会堵塞通道。
当相对湿度一定时,织物的透气量随环境温度的升高而增加。因为当环境温度升高,一方面使气体分子的热运动加剧,导致分子的扩散,使透通能力增强。另一方面织物整体的热膨胀,使织物的透通性的得到改善。
当温度和相对湿度不变时,织物两面的气压差的变化也会影响织物的通气率,并且是非线性的。因为气压差越大,通过织物孔隙的空气流速越快,所产生的气阻越大,一方面会引起织物的弯曲变形,产生伸长,增加孔洞,另一方面-会压缩纤维集合体的状态和排列,导致孔洞减小、织物密度增加。这两者对透气率的影响是相反的,因此在实际测量的过程中应确定一干扰小的气压差,作为恒定的测试条件。
三、织物透气性的测试标准
1、概述:目前常用于透气性测试的标准有:ASTM D737《纺织品透气性测试方法》,ISO 9237《纺织品织物透气性测试方法》,GB/T 5453《纺织品织物透气性的测试》和JIS L1096《纺织品透气性测试方法》。
JIS L1096分为A法和B法,A法采用弗雷泽型透气度测试仪,压差为125Pa测量5次取平均值;B法采用格利型透气度测试仪,测量特定压差下300ml空气透过织物所用的时间。透气率用时间来表达,单位为s,此法适用于毛织物。由于JIS L1096需要采用特定的仪器,因而在日常品质检测中并不常用。
各标准之间的试验条件对比如下表:
| 测试标准 | 测试面积 | 试验压强 | 单位 |
| AFNOR G07-111 | 20 cm2 or 50 cm2 | 196 Pa | l/m2/s |
| ASTM D 737 | 38 cm2 | 125 Pa | cfm |
| ASTM D 3574 | 25 cm2 | 125 Pa | dm3/s |
| BS 5636 | 5 cm2 | 98 Pa | cm3/cm2/s |
| DIN 53887 | 20 cm2 | 200/160/100 Pa | l/m2/s or l/dm2/min |
| EDANA 140.1 | 20 cm2 or 50 cm2 | 196 Pa | l/m2/s |
| EN ISO 7231 | 25 cm2 | 125 Pa | dm3/s |
| EN ISO 9237 | 20 cm2 | 200/100 Pa | dm3/s |
| JIS L 1096-A | 38 cm2 | 125 Pa | cm3/cm2/s |
| TAPPI T 251 | 20 cm2 or 38 cm2 | 125 Pa | cfm or cm3/cm2/s |
| GB/T 5453 | 20 cm2 | 100Pa,200Pa | dm3/min(L/min) |
织物透气仪由腔Ⅰ,腔Ⅱ和排气风扇组成。(元件上可做改动,但必须使织物的正反两面产生压差)。当排风扇转动时,空气会透过织物进入各腔内。腔Ⅰ,腔Ⅱ之前有一圆孔,空气通过时会使两个腔产生一个压差,可由压差计2读的。试样两面的压差可由压差计1读取。

压力计1的压差一定的情况下,通过织物试样的流体流量与气孔直径的平方成正比,且与压力计2中的压差有一定关系。当已知气体孔径和压差时,便可计算出通过织物空气流量。
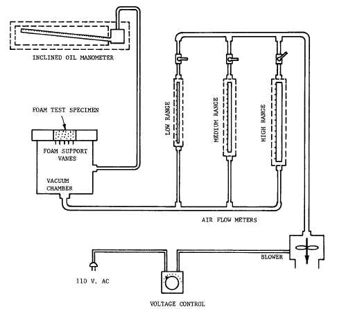
实际的仪器设计中可以略去腔Ⅱ,这一种测试原理图可参见ASTM D3574《软质泡沫聚合材料的标准测试方法》。仪器由压力计(或压差计)、空气流量计、鼓风机、真空箱及电压控制装置组成。

四、织物透气性的测试仪器——Gellowen G021 透气性测试仪
Gellowen G021透气性测试仪用于所有平面材料和泡沫塑料板的透气率测试。测试范围包括纸张、安全气囊、无纺布等。试验时织物被测试头夹住并压在夹紧臂下,夹紧臂压下时自动启动正空泵,仪器按照之前设定的参数进行试验。与仪器相关的具体信息如下。

1、符合标准:BS 5636 ,JIS L1096-A,DIN 53887,ASTM D737,ASTM D3574,EN ISO 9237,GB/T 5453,EDANA 140.2,TAPPI T251,EDANA 140.1,ASTM D737,AFNOR G07-111,ISO 7231等
2、适用范围:测量纺织、服装、无纺布等多种材料的透气性;织物被压在选定好的测试头上,仪器产生持续的气流通过试样,并在试样两面产生一定的压差,极短时间内,系统自动计算出试样的透气率。
3、技术参数
1°测试头面积:5cm2、20cm2、25cm2、38cm2、50cm2、100cm2;
2°测试模式:自动;
3°测试压力:10-3000Pa;
4°气流:0.1-40,000mm/s(5cm?);
5°测试时间:5-50秒;
6°停止时间:3秒;
7°总测试时间:10-58秒;
8°小压力:1pa;
9°大压力:3000pa;
10°精确度:±2%;
11°测量单位:mm/s,cfm,cm3/cm2/s,l/m2/s,l/dm2/min,m3/m2/min 和m3/m2/h;
12°数据接口:RS232C,异步,双向作用;
13°压力系统可自动检测气压的范围,并可测试大面积样品;
14°功能强大具有消声装置的抽吸泵;
15°仪器可自动探测测试头面积、自动选定测试孔大小、自动控制风机抽力大小;
16°具有自编程功能,客户可根据需要自己编写程序;
17°具备气流初调及细调开关,自动切换,全封闭管道设计,漏气量小于0.1 l/m2/s 。
18°配有校准测试板
(4)仪器的维护及保养
1°清洁过滤网罩:打开筒体的门,直接拿出过滤网罩,用压缩空气清洁过滤网罩或用湿润的棉布逐渐擦干净。
2°装上过滤网罩:重新安装清洁后的过滤网罩。
3°清洁压紧圈、定值圈和各种喷嘴,密封圈。
4°放置防尘布:后一次测试完成后,关闭仪器的电源开关,并用干净的布盖住压紧圈、定值圈等测试区域。
五、结语
透气性是织物透通性的重要组成部分。织物的透气性能实质上与织物中纤维间的空隙大小有关。对于不同用途的面料,要求其不同的透气性能。例如汽车安全囊的要求其具有较好的包裹气体的能力,而夏季服装面料则具备良好的透气率以保证人体的舒适性。关于织物透气性能的测试标准众多,标准之间根据测试面积的大小,压强值而存在细微的差异,试验者应严格按照规定进行试验。目前市面上的透气性测试仪器已具备各个标准兼容的优势,其中Gellowen G021透气率测试仪几乎涵盖所有的测试标准,测试压强、测试单位可自由设置。
更多关于 织物透气量仪:http://www.standard-groups.cn/a/zwjfz/
相关新闻
- 24-01-04■雷达液位计的原理
- 24-01-04■音量检测仪的工作原理
- 24-01-04■逻辑分析仪的工作原理
- 24-01-04■氦质谱检漏仪的原理
- 24-01-04■供水变频器的运行原理
- 24-01-02■超声波料位计的原理特点
- 24-01-02■医用培养箱的原理和结构
- 24-01-02■感应电度表的测量原理















